YE5系列超高效节能三相异
西安泰富西玛YE5系列超高效三相异步电动机具有性能优良、高效、节能,温升裕度大,寿命长,性能好,振动 小,启动性能优良,外形美观,可靠性
Z系列中型直流电机
西安泰富西玛Z系列直流电机采用先进设计,定子机座采用多角形迭片结构,有效充分利用了空间,具有体积小、重量轻、性能好等优点。定子磁轭、磁极
ZTP型铁路机车用直流辅助
西安泰富西玛ZTP型铁路机车用直流辅助电机应能满足铁路机车动车用直流辅助电机通用技术条件OXD.515.010-2001或其它专用技术条
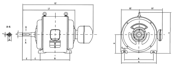
Z2系列小型直流电机
西安泰富西玛Z2系列电机为一般工业用小型直流电机,其电动机适用于恒功率调速范围不大于2:1,过载能力不大于1.5倍额定转矩的电力拖动。可
Z4系列直流电机
西安泰富西玛Z4系列直流电动机比Z2、Z3系列具有更大的优越性,它不仅可用直流机组电源供电,更适用于静止整流电源供电。可广泛应用于冶金工
YE3系列超高效节能三相异
西安泰富西玛电机生产的YE3系列超高效节能三相异步电动机达到了国标二级能效标准,广泛应用与机床、水泵、风机、压缩机等机械设备电机的配套使
绿色发展可以帮助泰富西玛电面对诸多挑战,西玛电机如何走出困境,提高利润率?中国电机
怎样使用西玛电机才能使其寿西玛电机的使用对于我们现在有着很重要的作用,在使用中为了
关于西玛电机独特的制造工艺一般来说,西玛电机的总绝缘由以下几个部分组成:上述四部分
“改进、创新”是西安西玛电由于“改进与创新”使西玛电机从传统制造业向现代自动化公司
西玛电机企业正抓住时代的机西安西玛电机工业要以信息化带动,运用“一带一路”倡议。为
夏季来了注意为西玛电机安装西玛电机运行时经常发生铜和铁的损耗,随着电机的运行,铁芯
国家免检产品
西玛电机,中国驰名商标
24小时在线服务
电话、微信、QQ实时响应
售后服务
西玛服务网点遍布全国各地。























